恭喜永嘉县君正阀门有限公司网站改版成功!
产品类别
水力控制阀
多功能水泵控制阀
遥控浮球阀
可调式减压稳压阀
安全持压/泄压阀
缓闭式止回阀
流量控制阀
水力电动控制阀
水泵控制阀
压差旁通阀
紧急关闭阀
压力波动预止阀
缓开缓闭止回阀
缓开快闭止回阀
三合一止回阀
Y型快闭止回阀
倒流防止器
活塞式水锤消除器
水上式底阀
限流止回阀
过滤活塞式阀门
智能自控阀
电动活塞式调流调压阀
膜片式水锤消除器
双封自净式防逆水封阀
防爆波闸阀
轻便旋切阀
止回阀
蝶式微阻缓闭止回阀
微阻缓闭止回阀
蝶式缓冲止回阀
液力自动阀
管力阀
消声止回阀
静音止回阀
橡胶瓣止回阀
球型止回阀
对夹止回阀
升降式止回阀
立式止回阀
旋启式止回阀
轴流式止回阀
贯流式止回阀
气动助关止回阀
减压阀
水用减压阀
蒸汽减压阀
气体减压阀
支管减压阀
黄铜减压阀
比例式减压阀
排泥阀
液动、气动角式快开排泥阀
手动排泥阀
池底排泥阀
直通式排泥阀
电动排泥阀
排气阀
单口排气阀
双口排气阀
快速排气阀
复合式排气阀
微量排气阀
高速排气阀
缓冲塞阀
平衡阀
数字锁定平衡阀
手动调节阀
大连式平衡阀
自力式压差控制阀
自力式流量平衡阀
自力式流量控制阀(带锁)
电磁阀
水用电磁阀
蒸汽电磁阀
全不锈钢电磁阀
黄铜电磁阀
煤气电磁阀
高温电磁阀
排泥阀专用电磁阀
气动角座阀
电动二通阀
四氟电磁阀
电磁脉冲阀
电磁式煤气安全切断阀
塑料电磁阀
截止阀
国标截止阀
锻钢截止阀
角式截止阀
波纹管截止阀
闸阀
暗杆闸阀
明杆闸阀
刀型闸阀
浆液阀
过滤器
Y型过滤器
自动除污过滤器
管道过滤器
篮式过滤器
T型过滤器
U型过滤器
疏水阀
自由浮球式蒸汽疏水阀
杠杆浮球式蒸汽疏水阀
钟型浮子(倒吊桶)式蒸汽疏水阀
热动力圆盘式蒸汽疏水阀
膜盒式蒸汽疏水阀
双金属片式蒸汽疏水阀
波纹管式蒸汽疏水阀
汽水分离器
呼吸阀
全天候呼吸阀
不锈钢呼吸阀
储罐车呼吸阀
铝合金呼吸阀
铝合金阻火器
阻火器
防爆阻火器
不锈钢阻火器
氧气阻火器
氢气阻火器
旋塞阀
偏心旋塞阀
二通旋塞阀
三通旋塞阀
产品展示
您当前的位置:首页>> 关于君正>> 产品展示
 
YC24D二位四通电磁阀
详细内容:

一、YC24D二位四通电磁阀用途及原理:

    YC24D二位四通电磁阀是零起动直式电磁滑阀。在工作系统中,电磁铁接受电信号,使推动阀芯换向,改变介质流通方向,电信号消失后,阀芯靠弹簧自动复位,达到自动控制的目的,并带有电动装置。它结构简单、动作可靠、维修方便、密封性能好、耐振、寿命长等优点,特别适合于钢铁、铸造、排污等环境条件恶劣的工作场所。

二、YC24D二位四通电磁阀技术参数:

  公称通径:15MM
  公称压力:1.6MPa
  工作压力:0~1.0MPa
  流通介质:水液、空气、油等无腐蚀性液体 
  介质温度:≤60℃(不冻结) 
  允许温升:85℃
  工作寿命:60万天/次
  电源电压:AC220V DC24V 
  消耗功率:20W左右

三、YC24D二位四通电磁阀安装及维修:

1、电磁滑阀可任意位置安装。
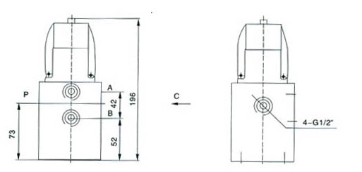
2、安装时,P为介质进口,“A"、“B"为介质出口,,“O"为排放口。
3、接管螺纹为G1/2(或可按用户要求改为M20×1.5)见外形尺寸图。
4、管路连接处不得漏气,按管前需先用干燥压缩空气将管道内灰尘及脏物吹净,并且阀前要安装大于100目的过滤器。
5、阀的故障:有通电不换向;停电不复位;泄漏三种。故障原因:线圈可能烧掉或连接不牢固;阀芯卡住;弹簧损坏,密封圈破损等。排除故障:更换线圈或重新连接;清洗阀芯,更换弹簧,密封件。

四、YC24D二位四通电磁阀结构图:

YC24D二位四通电磁阀订货须知:

1.阀体材质(铝);

2.口径规格(DN15);

3.公称压力(1.6MPa)

4.工作压力(0-1.0MPa)

5.使用介质(水液、空气、油等无腐蚀性液体等);

6. 介质温度(-18≤60℃(不冻结))

7.电源电压(AC220V, DC24V )
 

关闭 】 【 返回上页